Rotary Cylinders Thru Hole

Short type Thru-Hole Hydraulic Rotary Cylinder with Safety Device
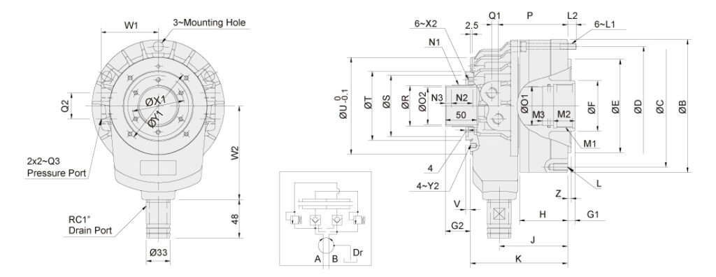
Short Type Thru-hole | Hydraulic

  • Super short form, light weight large Through-Hole, just as 2/3 of typical model length.
  • Built-in safety check valves and pressure relief valves.
  • Can screw it from the rear end of the cylinder when mounting.
    Linear sensor can be attached.(optional)

Specifications

ModelEff. piston area
cm2
Extend
Eff. piston area
cm2
Retract
Piston stroke
(mm)
Max. speed
min-1(r.p.m.)
Max. pressure
MPa(kgf/cm2)
I
kg‧m2
Weight
(kg)
Total oil leakage
lit./min
TK-A528 73 69.7 12 8000 4.5 (45) 0.012 6.2 3
TK-A533 73 69.7 12 8000 4.5 (45) 0.012 6 3
TK-C643 99.1 88.0 15 7000 4.5 (45) 0.018 7.5 3
TK-A646 105.0 93.9 15 7000 4.5 (45) 0.018 7.3 3
TK-B646 105.0 93.9 15 7000 4.5 (45) 0.018 8.6 3
TK-C646 99.1 88.0 15 7000 4.5 (45) 0.018 7.5 3
TK-B846 135.3 125.0 20 6300 4.5 (45) 0.032 12.4 3.9
TK-A853 135.3 125.0 20 6300 4.5 (45) 0.032 11.8 3.9
TK-B853 135.3 125.0 20 6300 4.5(45) 0.032 11.7 3.9
TK-A1068 170.1 155.3 25 5500 4.5(45) 0.065 19.2 4.2
TK-A1075 170.1 155.0 25 5500 4.5(45) 0.065 18.8 4.2
TK-A1078 170.1 155.3 25 5500 4.5(45) 0.065 17.4 4.2
TK-A1287 234 217.5 30 3800 4.0 (40) 0.092 24.8 4.5
TK-A1291 234 217.5 30 3800 4.0 (40) 0.092 24.8 4.5
TK-A1511 336.4 315.2 30 3000 3.5(35) 0.38 57.9 7
TK-A1512 336.4 315.2 30 3000 3.5(35) 0.38 53.8 7
TK-A1512-35 336.4 315.2 35 3000 3.5(35) 0.38 53.8 7
TK-2114 373.2 336.1 35 2500 3.0 (30) 0.54 58.2 8
TK-2416 418.4 375.4 35 2000 3.0 (30) 1.12 78 9
TK-2416L 418.4 375.4 51 2000 3.0 (30) 1.31 79.2 9
TK-2820 526.2 472.6 51 1600 3.0 (30) 2.4 134 10